Example of a Design Variant with Sketch
- Create a drawing with processing plane and draw a sketch. Parameterise this sketch using the composite edge HCM.
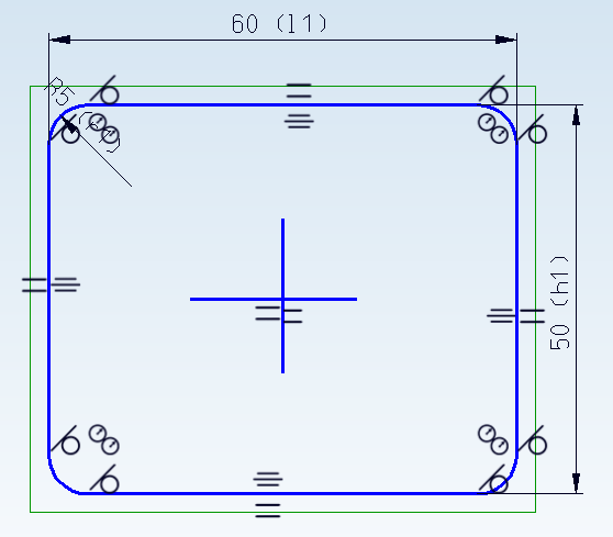
Example: Parameterized sketch
- Assign an isolated point to the drawing. This point is then parameterised.
Example: Parameterized sketch with fitting point
- Generate a cuboid, which is assigned a subtraction using the sketch.
- Place a new processing plane on the basic surface of the subtraction and then add a hole grid.
- Generate a dummy part, with the cuboid as a sub-part, and mark it as the design variant base body.
- Enter the variables into the dummy part's variable table.
- Assign the variables.
- In the cuboid's feature log below the subtraction, use the right mouse button to activate the processing plane and choose the Edit formula function.
- Type active_coor()into the input mask.
- For the cuboid, use the Formula for the Processed Text function to enter the text active_part().
- Activate the dummy part to save the design variant.
