Free Plate (1103)

"Civil Engineering functions" docking window > Steel Engineering > Connections > Individual beam/profile > Free plate (1103)

Use this function to insert plates of flat steel or sheet metal with pre-drilled holes. Besides standard bores, slots and free bores can be used if desired.

When you call the function, the dialogue window for free plates will be displayed.


Manage configurations

Configurations for free plates can be saved, enabling you to access your individual, customised configurations at any time.

More about configurations


Configure free plate

 

Semi-finished product

The plate can either consist of flat steel or of sheet metal. Click the icon to select plate type and material directly from the corresponding Standard part catalogues.

 

Geometry

Here you can determine the plate size. In the Definition listbox you can choose between the following procedures:

The following options are available:



Slot (left) and Rectangular slot (right)

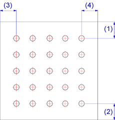
The bore grid determines the arrangement of the bores on the plate.

 

Insert as sub-part

By default, the plate is inserted as a main part into your drawing. If you activate the Insert as SP checkbox the plate and the active part will form a new assembly.

 

Click the Preview button if you want to display a preview of the connection based on the currently entered data. If you want to modify the current data, apply the required changes and click Preview again to update the preview. Click OK to insert the connection according to the current data and close the dialogue window. If you click the Cancel button, the window will be closed, and the specified or changed connection will not be inserted.

HiCAD displays a graphical preview for the insertion of the plate. Specify a fitting point in the graphic, then specify the position of this point in the current drawing.

 Related Topics

Connections + Variants (3-D SE)The Dialogue Window for Connections (3-D SE)The Catalogue System for Connections + Variants (3-D SE)

Version 2102 - HiCAD Steel Engineering | Date: 15/11/2016 | © Copyright 1994-2016, ISD Software und Systeme GmbH

Feedback on this topic