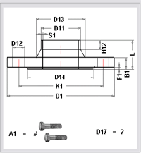
The preview box displays an image of the loaded simple variant. This is only possible if an image of the variant exists in an EMF file (Windows Enhanced Metafile) in the folder specified for Settings under Directory for the EMF files for standard variants. The EMF file must have the same name as the VAD file with the name extension .EMF.
The Data sheet button is only activated if a data sheet for the loaded variant exists. It can be displayed by clicking the button. This only happens if a valid data sheet file exists in the folder specified for Settings under Directory for the EMF files for standard variants. This file must match the Type specification set for Data sheet file extension (e.g. .pdf). In addition, a suitable View program - specified under Program for data sheet viewer - must be available. The data sheet file must have the same name as the VAD file and the name extension specified under Settings.
Example: ASME_FLANGE600
The Type Designation entry field at the top of the table box contains the current record designation. The table is comprised of four columns: The checkboxes for row selection (1), the names of variables (2), the values of variables (3) and the Description of variables (4), which is empty in our example below.
The following option buttons are available:
|
|
(Re)set selection ... Selects all table lines or cancels the selection. Selected lines are taken into account when recalculating or transferring records. |
|
|
|
Delete... This command deletes the contents of entry fields in the Value column. |
|
|
|
Restore... This command replaces the current value by the value that was contained in the Value column when the record was loaded. Only unblocked lines are affected. |
|
|
|
Recalculate... This command recognises all lines selected in the first column, but only influences the current record. The dialogue box enables you to specify quotients by which the numerical values in selected lines are multiplied. Select OK to execute calculation. Calculation is logical if, e.g. we assume that value 32 was specified for variable N in a record, and a new record should be created with N = 50, whereby the record with value N = 32 is initially taken over. To change the value of the variables H51 and D51 proportionally to N, proceed as follows::
|
|
|
|
Transfer selected values to all records For each marked variable, the given value will be copied to all other records. |
|
|
|
Transfer selected values to selected records The value of the marked variables will only be copied to those records which you selected as you would do for Find. Enter the required search conditions and select from the result list (with Ctrl+ right mouse button or Shift) the records in which the values should be replaced. |
|
Related Topics
The User Interface • Settings • Change/Generate Type Designation • Edit Structured Variants
Version 1701 - Variant Editor | Date: 7/2012 | © Copyright 2012, ISD Software und Systeme GmbH