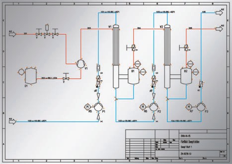
The HiCAD P+ID (Piping & Instrumentation Diagram) module represents the optimal supplement to 3-D Plant Engineering. It enables an easy creation of structured flowcharts and a detailed representation of instrumentation, thus facilitating the creation of layout and pipeline plans in 3-D. If you link these modules you can, for instance, position plant parts and pipelines with the help of P+ID data.
The Online Help for the P+ID module will first provide you with an overview of the basic functions and tools of the module. In the next chapters, the functionalities will be described in detail. In the appendix, you will find numerous lists with dialogue types, attribute codes, keyboard commands etc.
Version 1702 - HiCAD P+ID | Date: 9/2012 | © Copyright 2012, ISD Software und Systeme GmbH