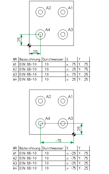
Bezugspunkt setzen
Bezugspunkt ändern
Thema: HiCAD 2D
|
© Copyright 1994-2023, ISD Software und Systeme GmbH |
Datenschutz • AGB • Cookies • Kontakt • Impressum