Freie Platte

Mit dieser Funktion bauen Sie vorgebohrte Platten aus Blech oder Flachstahl ein. Dabei sind neben Normbohrungen auch Langlöcher sowie freie Bohrungen möglich.
Nach dem Aufruf der Funktion wird das Dialogfenster für freie Platten wird angezeigt.
Die Einstellungen des Dialogfensters lassen sich als Favoriten speichern und jederzeit wiederverwenden. Dazu klicken Sie unten links im Dialogfenster auf das Symbol
, um das Kontextmenü zu aktivieren. Mehr zur Favoritenverwaltung finden Sie in den HiCAD Grundlagen unter Favoriten.
Hinweise:
- Ist das beim Aufruf der Funktion aktive Teil bereits einer Baugruppe untergeordnet, dann wird die Platte als Nebenteil dieser Baugruppe eingebaut. Anderenfalls wird die Platte als neues Hauptteil eingebaut.
- Ist zusätzlich die Checkbox Einbau als Anbauteil aktiv, dann wird folgendermaßen verfahren:
- Gehört das aktive Teil bereits zu einer stücklistenrelevanten Baugruppe, dann wird die Platte dieser Baugruppe als Nebenteil zugeordnet.
- Gehört das aktive Teil nicht zu einer stücklistenrelevanten Baugruppe, dann wird eine neue stücklistenrelevante Baugruppe angelegt, der das aktive Teil und die Platte untergeordnet werden.
Freie Platte konfigurieren
Halbzeug
Die Platte kann sowohl aus Blech als auch aus Flachstahl bestehen. Durch einen Klick auf das Symbol
lassen sich der Plattentyp und das Material direkt in den entsprechenden Normteilkatalogen auswählen.
Geometrie
Hier legen Sie die Plattengröße fest. Dazu stehen verschiedene Verfahren zur Verfügung, die Sie in der Listbox Definition auswählen können.
- Definition: absolut
Hier wird die Plattengröße durch Angabe der Breite und Höhe bestimmt. - Definition: mit Überstand zum Raster
Die Plattengröße wird hier durch Angabe des Überstandes zum Bohrungsraster bestimmt.
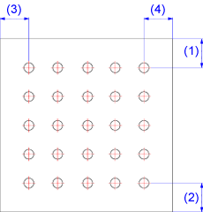
(1) oben, (2) unten, (3) links, (4) rechts
Bohrungstyp
Folgende Möglichkeiten stehen hier zur Verfügung:
- Normbohrung
Klicken Sie auf das Symbol
und wählen Sie die gewünschte Bohrung direkt im Normteilkatalog aus. - Langloch
Hier wird als Bohrung ein Langloch verwendet, das Sie durch Angabe der Länge (Lochweite) und des Durchmessers bestimmen. Soll das Langloch gedreht werden, dann können Sie zusätzlich den Drehwinkel angeben.
Langloch (links) und Langloch eckig (rechts)
- Langloch rechteckig
Als Bohrungstyp wird ein eckiges Langloch verwendet, das Sie durch Angabe der Länge und Breite bestimmen. Soll das Langloch gedreht werden, dann können Sie zusätzlich den Drehwinkel angeben. - Freie Bohrung
Wählen Sie diesen Bohrungstyp, wenn Sie eine einfache Bohrung durch Angabe des Durchmessers verwenden wollen.
Raster X/Y
Das Bohrungsraster bestimmt die Anordnung des Bohrbildes der Platte.
- X- und Y-Versatz (Abstand zum Schwerpunkt der Platte)
- Anzahl der Bohrungen in X- und Y-Richtung sowie deren Abstand zueinander. Wenn alle Bohrungen einer Richtung denselben Abstand haben sollen, dann können Sie die Eingabe auch vereinfachen. Tragen Sie den Abstandswert einfach in das Feld Alle ändern ein.
Einbau als Anbauteil
Ist das beim Aufruf der Funktion aktive Teil bereits einer Baugruppe untergeordnet, dann wird die Platte als Nebenteil dieser Baugruppe eingebaut. Anderenfalls wird die Platte als neues Hauptteil eingebaut.
Ist zusätzlich die Checkbox Einbau als Anbauteil aktiv, dann wird folgendermaßen verfahren:
- Gehört das aktive Teil bereits zu einer stücklistenrelevanten Baugruppe, dann wird die Platte dieser Baugruppe als Nebenteil zugeordnet.
- Gehört das aktive Teil nicht zu einer stücklistenrelevanten Baugruppe, dann wird eine neue stücklistenrelevante Baugruppe angelegt, der das aktive Teil und die Platte untergeordnet werden.
Durch einen Klick auf die Schaltfläche Vorschau können Sie sich eine Vorschau des Anschlusses - auf Basis der aktuell eingegebenen Daten - anzeigen lassen. Wollen Sie die Daten korrigieren, dann nehmen Sie die Änderungen vor und klicken Sie erneut auf Vorschau, um die Vorschau zu aktualisieren. Mit OK wird der Anschluss mit den aktuellen Daten eingebaut und das Dialogfenster geschlossen. Wenn Sie das Dialogfenster mit Abbrechen verlassen wird die Funktion ohne Einbau bzw. ohne Änderung des Anschlusses abgebrochen.
Zum Einbau der Platte zeigt HiCAD eine grafische Vorschau an. Bestimmen Sie dann einen Passpunkt auf der Grafik und anschließend die Position dieses Punktes in der aktiven Konstruktion.
Anschlüsse + Varianten (3D-STB) • Dialogfenster für Anschlüsse (3D-STB) • Das Katalogsystem für Anschlüsse + Varianten (3D-STB)
