Thema: HiCAD Stahlbau

Kundenspezifische Geländervarianten

Geländerkomponenten wie

lassen sich auch als kundenspezifische Varianten speichern. Diese Varianten stehen dann im Geländerkonfigurator zur Verfügung und ermöglichen so eine individuelle Gestaltung von Geländern.

Das Anlegen solcher Varianten besteht aus folgenden Schritten:

 

Die Themen:


Erzeugen der Geometrie

Zur Erzeugung der Geometrie stehen Ihnen alle HiCAD-Funktionen (abhängig vom installierten Produkt) zur Verfügung.

Je nach Komponente besteht die Geometrie aus einem oder mehreren Einzelteilen. Bei mehreren Einzelteilen, beispielsweise einer Füllung bestehend aus einem Kantblech mit Haltern, müssen die Teile zu einer Baugruppe zusammengefasst werden. Die nachfolgend beschriebenen Variablen sowie die benannten Punkte für das Einbau-Koordinatensystem müssen dieser Baugruppe zugeordnet sein. Darüber hinaus müssen in der Feature-Konfiguration der Baugruppe die Fremdbezüge aktiviert sein.

Dies ist deshalb erforderlich, weil die Teile einer Geländerkomponente zueinander und zu den anderen Komponenten in Bezug stehen, beispielsweise wie in unserem späteren Beispiel der ebenen Füllungen. Dort besteht die Füllung aus einem Blech mit Haltern, wobei die Blechbreite abhängig ist von der Breite des Halters. Damit haben Blech und Halter einen Fremdbezug. Der Einbau der Geländerkomponente erfolgt in verschiedensten Konstellationen. Durch die Verwendung der Fremdbezüge wird sichergestellt, dass die Komponente immer an der korrekten Position eingebaut wird.

  • Pfosten müssen immer von unten nach oben erzeugt werden, damit Bearbeitungen immer passend am Ende 1 für unten, bzw. am Ende 2 für oben erfolgen können.
  • Besteht der Pfosten aus mehreren Teilen, dann müssen die Teile zu einer Baugruppe zusammengefasst werden, In dieser Pfostenbaugruppe muss eines der Teile als Baugruppenhauptteil deklariert werden.
  • Bei einer Pfostenbaugruppe sollte zur Platzierung der Teile nicht auf Elemente oder absolute Koordinaten der Baugruppe zurückgegriffen werden. Besser ist hier, das Einbaukoordinatensystem über das Teilekoordinatensystem eines der Teile zu definieren.


Ein Beispiel zur Erzeugung der Geometrie einer Geländerkomponente finden Sie hier.


ISD-Variablen und benannte Punkte

Das Einbau-Koordinatensystem

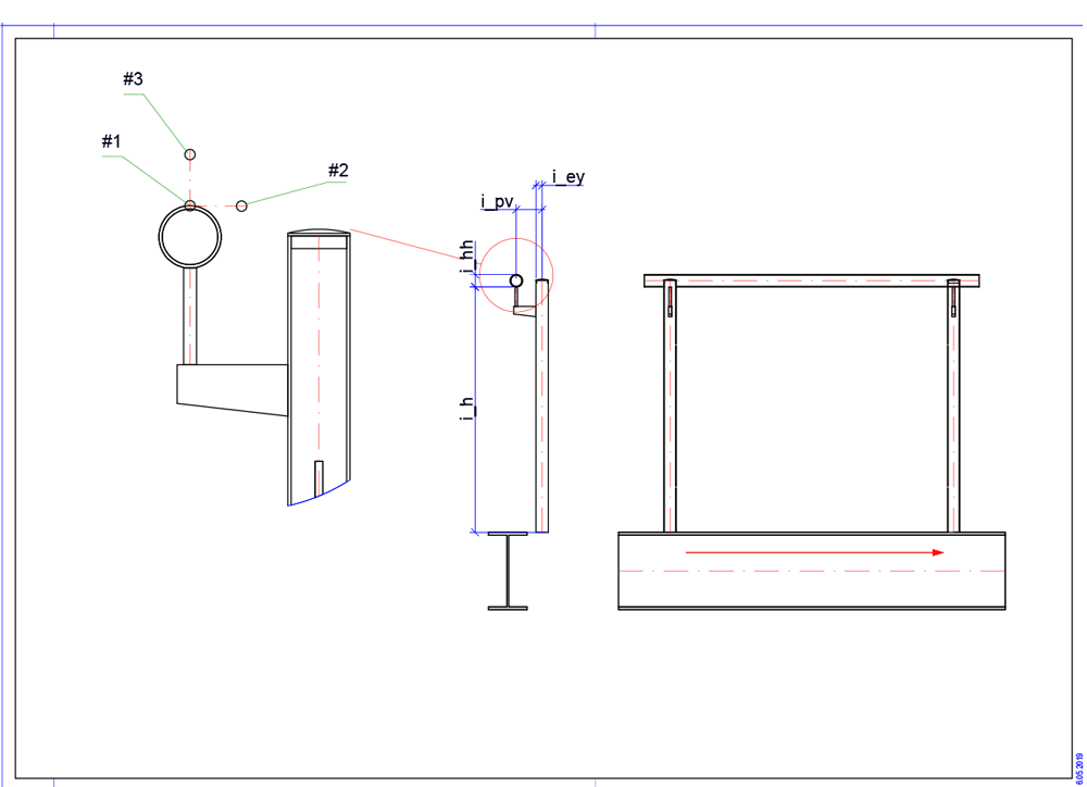
Jede Variante benötigt ein Einbau-Koordinatensystem, das aus 3 speziellen Punkten besteht:

Wird ein 3D-Teil, dem ein EKS zugeordnet wurde, in eine neue Konstruktion geladen, dann werden die Punkte des EKS in das Welt-Koordinatensystem gelegt. Dadurch ist die Einbau-Richtung im Raum festgelegt.

Zur Bestimmung des Einbau-Koordinatensystems stehen Ihnen zwei Möglichkeiten zur Verfügung:

  1. Sie verwenden die Funktion Konstruktion > Sonstiges > Welt-KS > Einbau-KS definieren. Hier werden die Punkte automatisch mit #1, #2 und #3 benannt.
  1. Sie bestimmen drei isolierte Punkte und benennen sie wie in der folgenden Tabelle aufgeführt:

Punkt 1

Punkt 2

Punkt 3

Sobald die isolierten Punkte die angegebenen Namen haben, sind sie in der Konstruktion unsichtbar.

 

Variablen

Damit Ihre Geländerkomponenten korrekt und passgenau eingebaut werden können, müssen in den Formeln der Variante je nach Komponententyp bestimmte ISD-Variablen verwendet werden. Die Namen dieser Variablen beginnen immer mit i_. Der Wert dieser Variablen wird der kundenspezifischen Variante durch die Eingabefelder des Geländerkonfigurators zur Verfügung gestellt., sobald die Variante dort ausgewählt wird. Beispielsweise wird bei einer ebenen Füllung der Bereich für die Füllung bestimmt durch den Abstand zwischen zwei Pfosten und den Abstand zwischen Boden und Handlauf. Das heißt, diese Werte werden zur Berechnung von Breite und Höhe der Füllung unbedingt benötigt. Der Geländerkonfigurator stellt die Werte in den Variablen i_l (Breite) und i_h (Höhe) zur Verfügung.

Neben diesen ISD-Variablen können Sie natürlich auch weitere freie Variablen vergeben. Im Unterschied zu den ISD-Variablen, deren Inhalt der Geländerkonfigurator zur Verfügung stellt, wird der Inhalt der "freien" Variablen durch die kundenspezifische Variante an den Geländerkonfigurator übergeben. Beachten Sie bitte, dass die Namen dieser Variablen nicht mit i_beginnen dürfen, da diese Variablen sonst nicht im Dialogfensters des Editors für Geländervarianten sowie des Geländerkonfigurators angezeigt werden.

Welche ISD-Variablen (i_...) für welche Komponente zur Verfügung stehen, wie die Punkte für das Einbau-Koordinantensystem gesetzt werden müssen und welche Variablen sonst noch verwendet werden können, entnehmen Sie bitte den nachfolgenden Abbildungen.

Download als PDF

Beim Pfosteneinbau sind die 1/2 Pfostendicke in x- bzw. y-Richtung keine Eingabewerte des Geländerkonfigurators (i_ex..., i_ey...), sondern die Werte müssen von der Pfostenvariante erzeugt werden. Deshalb dürfen in der Variante nicht die Variablen i_ex und i_ey verwendet werden, sondern stattdessen ex und ey. Diese Werte stellt der Geländerkonfigurator dann in den Variablen i_ex bzw. i_ey der Füllung zur Verfügung.

siehe auch Tipp

Download als PDF

 

Download als PDF

Download als PDF

Download als PDF

Download als PDF

Neben den Variablen i_s, i_s1 und i_s2 wird die Steigung auch als Winkelwert bereit gestellt und zwar in den Variablen i_sa, I_sa1 und I_sa2.

 

Tipp: 

Wenn Sie in einer Geländervariante, beispielsweise für einen Pfosten, Normprofile verwenden, dann müssen Sie die Variablen ex und ey nicht zuweisen. Die entsprechenden Werte werden für Normprofile automatisch ermittelt und im Geländerkonfigurator in den Variablen i_ex bzw. i_ey zur Verfügung gestellt.

Bei eigenen Profilen lässt sich dieser Automatismus folgendermaßen erreichen:

  • Die entsprechende Katalogtabelle, d.h. die Tabelle aus der das Profil geladen wird, muss - analaog zu den Beispieltabellen für Geländerprofile (unter Werksnormen > Geländer > Geländerprofile) - die Spalten HH und HB enthalten.

  • In Ihrer Variante müssen Sie dann ein bestimmtes Feature-Script einfügen: Script ausführen – Abmessungen HH, HB, EX, EY. Dazu laden Sie eine ISD-Beispielvariante, die dieses Script enthält, z.B. die Pfosten-Variante Variante-Skizzenprofil (Werksnormen > Geländer > Pfosten).

Dann klicken Sie mit der rechten Maustaste in das Feature-Protokoll Ihrer Variante, wählen Feature einfügen und ziehen das Feature dann an die richtige Position hinter das Körpererzeugungsfeature.

 

Verwenden von Katalog- und Tabelleneinträgen in einer Variante

Katalog- und Tabellen-ID

Auch Tabelleneinträge aus den HiCAD-Katalogen lassen sich als Variable definieren. Dazu benötigt man Variablen vom Typ Liste. Enthält Ihre Geländerkomponente beispielsweise ein Halbzeug vom Typ Blech und Sie wollen bei Auswahl der Komponente im Geländerkonfigurator nicht immer dieses Blech einbauen, sondern das Blech flexibel über den Katalog auswählen, dann benötigen Sie eine Variable vom Typ Liste.

Um eine solche Variable anzulegen, wählen Sie in den Teilevariablen Neue Variable hinzufügen, geben den Namen der Variablen, z.B. pl ein und wählen als Variablentyp Liste. Zusätzlich können Sie einen Kommentar eintragen, z.B. Katalogeintrag. Wenn Sie das Dialogfenster mit OK verlassen, wird die Variable eingefügt.

Dann klicken Sie mit der rechten Maustaste auf die Zeile mit der neuen Variablen und wählen im Kontextmenü Neue Variable hinzufügen. Den Namen brauchen Sie hier nicht angeben, er wird automatisch festgelegt. Als Variablentyp wählen Sie Zahl und als Anfangswert die Tabellen-ID, z.B. 127 für die Tabelle Halbzeuge > Bleche > Blech. Auch hier können Sie wieder einen Kommentar angeben, z.B. Tabellen-ID. Nach dem Verlassen des Dialoges mit OK wird die Untervariable angelegt, wobei als Name automatisch eine fortlaufende Nummer in eckigen Klammern verwendet wird, z.B. [1]. Analog legen Sie die Variable für die Zeilen-ID an.

Die Tabellen-ID sehen Sie in der Status-Zeile des Katalogeditors, die Zeilen-ID in der Spalte ID der entsprechenden Tabelle.

 

Die Variable pl hat nun als Inhalt den Datensatz mit der ID 67 aus der Tabelle Bleche.

 

Die auf diese Weise definierte Variable lässt sich jetzt im Feature verwenden. Enthält Ihre Geländerkomponente beispielsweise ein Halbzeug, dann steht im Feature ein Eintrag der folgenden Art.

Um zu erreichen, dass bei Auswahl der Komponente im Geländerkonfigurator nicht immer dieses Blech eingebaut wird, sondern dass Sie das Blech flexibel über den Katalog auswählen können, verwenden Sie jetzt die Untervariablen der Variablen vom Typ Liste, also z.B.

Darüber hinaus können Sie dann im Editor für Geländervarianten festlegen, dass nur bestimmte Tabellen zur Auswahl angeboten werden.


ISD Mustervarianten

Im Lieferumfang von HiCAD sind ISD-Mustervarianten für die verschiedenen Komponenten enthalten. Diese finden Sie im Katalog Werksnormen > Stahlbau > Geländer.

ISD Pfosten

 

ISD Handlauf

 

ISD Füllung

 

ISD Konsole

 

Diese Varianten stehen Ihnen bei der Auswahl im Geländerkonfigurator zur Verfügung und können auch als Mustervorlagen für Ihre kundenspezifischen Varianten verwendet werden.

Bitte beachten Sie, dass Sie gute Kenntnisse der Parametrik und im Umgang mit Feature-Varianten haben sollten, um das volle Leistungsspektrum individueller Geländervarianten nutzen zu können. Beachten Sie insbesondere auch die Hinweise zur Verwendung von Variablen und Formeln im Feature.

Der Editor für GeländervariantenTreppen und Geländer (3D-STB)Stahlbau-Funktionen

© Copyright 1994-2020, ISD Software und Systeme GmbH
Version 2502 - HiCAD Stahlbau
Ausgabedatum: 07.12.2020     Sprache: 1031

> Feedback zu diesem Thema

DatenschutzAGBCookiesKontaktImpressum