Thema: HiCAD Blech

Einbaumodus

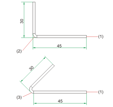
(1) Bezugsblech
(2) Ankanten mit Kürzen des Bezugsbleches
(3) Ankanten ohne Kürzen des Bezugsbleches

(1) Anschlusskante
(2) Bezugsfläche
(3) Bezugspunkt
(4) Ankanten mit Abstand zum Bezugsblech

© Copyright 1994-2020, ISD Software und Systeme GmbH
Version 2502 - HiCAD Blech
Ausgabedatum: 24.02.2021     Sprache: 1031

> Feedback zu diesem Thema

DatenschutzAGBCookiesKontaktImpressum