Thema: HiCAD Blech
![]()
Diese Funktion leitet aus einer 3D-Ansicht eine bemaßte 2D-Ansicht ab.
Nach dem Identifizieren der ersten Kante können Sie den Vorschlag für die Lage der Bearbeitungsebene mit der rechten Maustaste übernehmen.
Die 2D-Ansicht wird am Cursor dargestellt.
(1) Kante für die X-Achse der Bearbeitungsebene
(2) Kante für Y-Achse der Bearbeitungsebene
(3) Position auf Kante für Schnitt (Gutseite)
(4) Schnittverlauf
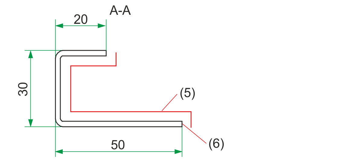
(5) Gutseite inklusive Stirnseite
(6) Bemaßte 2D-Ansicht
Die Parameter für die Darstellung der Beschichtungsseite (Gutseite) stellen Sie im Konfigurationsmanagement unter Kompatibilität > Blechabwicklung bis HiCAD2016 > Erweiterte Einstellungen > Beschichtungsseite des 2D-Blechschnittes ein.
Die Parameter werden nach einem Neustart von HiCAD übernommen.
Weitere Funktionen (3D-Blech) • 2D Blechschnitt aus 3D Schnittansicht (3D-Blech)
|
© Copyright 1994-2020, ISD Software und Systeme GmbH |
Datenschutz • AGB • Cookies • Kontakt • Impressum