Thema: HiCAD R+I Schemata
![]()
R+I-Schema > Symbol > PullDown-Menü Verschieben > Verschieben, mit Skizzieren ![]()
R+I-Schema > Symbol > PullDown-Menü > Verschieben, ohne Skizzieren ![]()
Zum Verschieben einzelner Symbole stehen folgende Funktionen zur Verfügung:
|
|
Symbol einzeln verschieben, nur X und Y |
Die Funktion Symbol verschieben nur x oder y ist erweitert worden. Mit dieser Funktion werden:
automatisch ebenfalls verschoben. Soll explizit nur ein einzelnes Symbol verschoben werden, verwenden Sie bitte die Funktion Verschieben, mit Skizzieren oder Verschieben, ohne Skizzieren. |
|
|
Symbol einzeln verschieben, mit Skizzieren |
Mit dieser Funktion verschieben Sie ein einzelnes Symbol in beliebiger Richtung unter Verwendung des für R+I eingestellten Skizzierrasters. |
|
|
Symbol einzeln verschieben, ohne Skizzieren |
Mit dieser Funktion verschieben Sie ein einzelnes Symbol ohne den Skizziermodus. |
Wählen Sie die gewünschte Funktion. Identifizieren Sie das zu verschiebende Symbol und bestimmen Sie den neuen Einfügepunkt. Dabei sind folgende Fälle zu unterscheiden:
Vor der Bestimmung des neuen Einfügepunktes haben Sie dann - durch Drücken der rechten Maustaste - die Möglichkeit, einen anderen Bezugspunkt am Symbol zu wählen. Die Verbindungen bleiben nach der Verschiebung grundsätzlich bestehen. Nur wenn nach der Verschiebung die Verbindungen schräg verlaufen, wird deren Löschung angeboten. Wird das Symbol in eine andere Verbindung hineingeschoben, wird diese ignoriert.
Vor der Bestimmung des neuen Einfügepunktes haben Sie dann - durch Drücken der rechten Maustaste - die Möglichkeit, das Symbol zu drehen oder einen anderen Bezugspunkt am Symbol zu wählen. Dazu wird ein entsprechendes Kontextmenü angezeigt.
Wird das Symbol so in eine andere Verbindung hineingeschoben, dass mindestens ein Anschluss in der passenden Ausrichtung auf der Verbindung liegt, wird diese gelöscht und, wenn möglich, durch neue Verbindungen über das Symbol wieder hergestellt. Wenn das Symbol nicht die passenden Eigenschaften hat, wird diese Verschiebung nicht zugelassen.
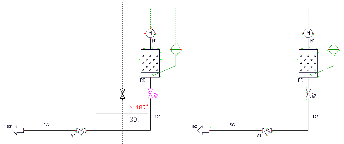
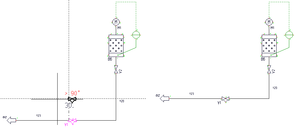
Dies gilt beispielsweise in folgenden Fällen:
Solange das gewählte Symbol am Fadenkreuz hängt, können Sie mit der rechten Maustaste über ein Kontextmenü den Bezugspunkt ändern.

© Copyright 1994-2019, ISD Software und Systeme GmbH |