Freie Platte (3D-STB)

Andockfenster Bauwesen-Funktionen > Stahlbau > Anschlüsse > Einzelprofil > Freie Platte (1103)

Mit dieser Funktion bauen Sie vorgebohrte Platten aus Blech oder Flachstahl ein. Dabei sind neben Normbohrungen auch Langlöcher sowie freie Bohrungen möglich.

Nach dem Aufruf der Funktion wird das Dialogfenster für freie Platten wird angezeigt.

Dialogfenster Freie Platte (1103)


Konfigurationen verwalten

Konfigurationen für freie Platten lassen sich speichern, sodass Sie jederzeit wieder auf Ihre individuellen Konfigurationen zugreifen können.

Mehr zur Konfiguration


Freie Platte konfigurieren

 

Halbzeug

Die Platte kann sowohl aus Blech als auch aus Flachstahl bestehen. Durch einen Klick auf das Symbol lassen sich der Plattentyp und das Material direkt in den entsprechenden Normteilkatalogen auswählen.

 

Geometrie

Hier legen Sie die Plattengröße fest. Dazu stehen verschiedene Verfahren zur Verfügung, die Sie in der Listbox Definition auswählen können.

Folgende Möglichkeiten stehen hier zur Verfügung:



Langloch (links) und Langloch eckig (rechts)

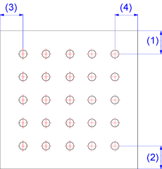
Das Bohrungsraster bestimmt die Anordnung des Bohrbildes der Platte.

 

Einbau als Nebenteil

Defaultmäßig wird die Platte als neues Hauptteil in die Konstruktion eingebaut. Durch die Aktivierung der Checkbox Einbau als Nebenteil können Sie festlegen, dass die Platte und das aktive Teil in einer neuen Baugruppe zusammengefasst werden.

 

Haben Sie alle erforderlich Daten eingegeben, dann kann die Platte eingebaut werden. Bei Wahl von Übernehmen bleibt das Dialogfenster - im Unterschied zu OK - nach dem Einbau der Platte geöffnet. Wenn Sie das Dialogfenster mit Schließen verlassen, wird die Funktion ohne Einbau bzw. ohne Änderung der Platte abgebrochen.

Zum Einbau der Platte zeigt HiCAD eine grafische Vorschau an. Bestimmen Sie dann einen Passpunkt auf der Grafik und anschließend die Position dieses Punktes in der aktiven Konstruktion.

 Verwandte Themen

Anschlüsse + Varianten (3D-STB)Dialogfenster für Anschlüsse - Typ I (3D-STB)Das Katalogsystem für Anschlüsse + Varianten (3D-STB)

Version 1802 - HiCAD Stahlbau | Ausgabedatum: 09/2013 | © Copyright 2013, ISD Software und Systeme GmbH