Pfettenanschluss - 1 Träger/1 Pfette (3D-STB)

Andockfenster Bauwesen-Funktionen > Stahlbau > Allgemein > Pfettenanschluss (1204)

Mit dieser Designvariante verbinden Sie einen Träger und eine Pfette mit einem Kantblech (1-fach oder 2-fach gekantet) oder einem L-Profil, das mit der Pfette verschraubt und mit dem Träger verschraubt oder verschweißt ist. Die Verbindung kann ein- und beidseitig erfolgen. Die Pfette kann hier ein beliebiges 3D-Teil sein.

(1) Original
(2) Pfettenanschluss beidseitig, mit L-Profil und Anschlussplatte, mit Träger und Pfette verschraubt
(3) Pfettenanschluss beidseitig, mit 2-fach gekantetem Blech und Anschlussplatte, mit Träger und Pfette verschraubt
(4) Pfettenanschluss beidseitig, mit 2-fach gekantetem Blech, mit Träger verschweißt und ohne Anschlussplatte

 

  1. Identifizieren Sie das anzuschließende Teil (Pfette).
  2. Identifizieren Sie das Profil (Träger).
  3. Das Dialogfenster Pfettenanschluss wird angezeigt.
Dialogfenster Pfettenanschluss


Konfigurationen verwalten

Konfigurationen für den Pfettenanschluss lassen sich speichern, sodass Sie jederzeit wieder auf Ihre individuellen Konfigurationen zugreifen können.

Mehr zur Konfiguration


Pfettenanschluss konfigurieren

Die Konfiguration des Pfettenanschlusses erfolgt über die Registerkarten des Dialogfensters.

 

Geometrie

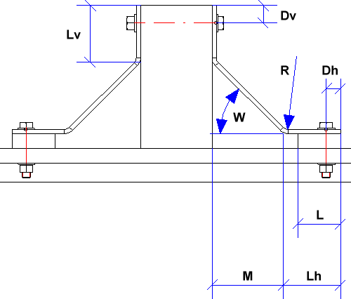
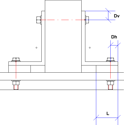
Auf dieser Registerkarte legen Sie die Abmessungen des Pfettenanschlusses fest.

Registerkarte Geometrie

Die Eingabefelder, die auf dieser Registerkarte angezeigt werden, sind abhängig vom gewählten Pfettenschuh.

Geometrie - 2-fach gekantetes Blech
Geometrie - 1-fach gekantetes Blech
Geometrie - L-Profil

 

Befestigung

Hier bestimmen Sie wie das Kantblech/L-Profil am Anschlussteil und am Träger befestigt wird.

Registerkarte Befestigung

Die Befestigung am Anschlussteil erfolgt durch Verschraubung.Die Auswahl von Schraube und Bohrung kann durch einen Klick auf das Symbol direkt im Normteilkatalog erfolgen. In den Feldern darunter wählen Sie die Gesamtanzahl der Schrauben (max. 2) sowie den Abstand der Schrauben zueinander. Zusätzlich kann ein Versatz angegeben werden. Soll die Richtung der Verschraubung umgedreht werden, dann aktivieren Sie die Checkbox Umdrehen.

1 Versatz am Anschlussteil, 2 Versatz am Träger

 

Mit dem Träger kann das Kantblech/L-Profil wahlweise verschraubt oder verschweißt werden.

 

Pfettenschuh

Hier bestimmen Sie die Art der Befestigung.

Registerkarte Pfettenschuh

Für den Pfettenschuh stehen folgende Möglichkeiten zur Verfügung:

Die Befestigung kann links, rechts oder beidseitig erfolgen.

Geben Sie die Breite des Kantbleches/L-Profils an und wählen Sie das gewünschte Kantblech/L-Profil durch einen Klick auf direkt im Normteilkatalog aus. Die Bleche liegen im Katalog Werksnormen unter Kantbleche.

Zusätzlich kann eine Abstandsplatte eingebaut werden. Dazu aktivieren Sie die Checkbox Erstellen und wählen dann die das gewünschte Blech aus.

 

Haben Sie alle erforderlich Daten eingegeben, dann kann der Pfettenanschluss eingebaut werden. Bei Wahl von Übernehmen wird der Anschluss eingebaut, das Dialogfenster bleibt jedoch - im Unterschied zu OK - geöffnet. Wenn Sie das Dialogfenster mit Schließen verlassen wird die Funktion ohne Einbau bzw. ohne Änderung des Anschlusses abgebrochen.

 Verwandte Themen

Anschlüsse + Varianten (3D-STB)Dialogfenster für Anschlüsse - Typ I (3D-STB)Das Katalogsystem für Anschlüsse + Varianten (3D-STB)

Version 1802 - HiCAD Stahlbau | Ausgabedatum: 09/2013 | © Copyright 2013, ISD Software und Systeme GmbH