Andockfenster Bauwesen-Funktionen > Stahlbau > Anschlüsse > Stirnseite an Steg-/Flanschseite > Stirnplatte > Stirnplattenanschluss 1 an Steg/Flansch (1320)
Mit dieser Funktion verbinden Sie Profile mit einem geschraubten Stirnplattenanschluss - mit oder ohne Steifen. Zusätzlich lassen sich auch Verstärkungsbleche an der Flanschseite des durchlaufenden Trägers einbauen.
Der Anschluss kann sowohl an Steg als auch an Flansch erfolgen. Je nach Einbausituation wird das angeschlossene Profil automatisch ausgeklinkt. Darüber hinaus lassen sich auf Wunsch auch direkt die Schweißnähte einfügen und beschriften.
Der Anschluss kann sowohl benutzerdefiniert als auch über vordefinierte, in HiCAD integrierte DAST-Tabellen konfiguriert werden.
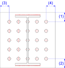
(1) anzuschließendes Profil, (2) Profil, an das angeschlossen wird, (3) erzeugter Anschluss, (4) mit Verstärkungsblechen
Das Dialogfenster für den Stirnplattenanschluss 1 wird angezeigt. Die Konfiguration des Strinplattenanschlusses erfolgt über die Registerkarten dieses Dialogfensters.
Haben Sie alle erforderlich Daten eingegeben, dann kann die Stirnplatte eingebaut werden. Bei Wahl von Übernehmen wird die Platte eingebaut, das Dialogfenster bleibt jedoch - im Unterschied zu OK - geöffnet. Wenn Sie das Dialogfenster mit Schließen verlassen, wird die Funktion ohne Einbau bzw. ohne Änderung der Platte abgebrochen.
Hinweise:
Konfigurationen für den Stirnplattenanschluss lassen sich speichern, sodass Sie jederzeit auf Ihre individuellen Konfigurationen zugreifen können. Die Konfigurationen werden in der Datei DV_STE_1320_00_ENDPLATE_default.xml im HiCAD SYS-Verzeichnis gespeichert.
Die Konfiguration des Strinplattenanschlusse erfolgt über die Registerkarten des Dialogfensters:
Hier werden Ihnen Informationen zu den zuvor identifizierten Profilen angezeigt, beispielsweise die Art des Profils, das Material, die Abmessungen etc. Eingaben und Änderungen sind hier nicht möglich.
In diesem Bereich bestimmen Sie Typ und Größe der Platte, die Ausrichtung der Platte zum Profil sowie den Typ der Bohrung und das Bohrungsraster.
|
Luftspalt |
Geben Sie hier - falls gewünscht - den Wert für den Luftspalt ein, d.h.den Abstand der Platte vom 2. identifizierten Profil. |
|
|
Halbzeug |
Die Platte kann sowohl aus Blech als auch aus Flachstahl bestehen. Durch einen Klick auf das Symbol |
|
|
Geometrie / Lage |
Zur Bestimmung der Geometrie (Plattengröße) stehen drei Verfahren zur Verfügung, die Sie in der Listbox Definition auswählen können. Definition - absolut
Darüber hinaus stehen zur Ausrichtung (Positionierung) der Platte folgende Möglichkeiten zur Verfügung:
Haben Sie einen Offset angegeben, wird die Platte entsprechend versetzt. Definition - mit Überstand
Definition - mit Überstand zum Raster
|
|
|
Verschraubung |
Hier legen Sie die Verschraubung fest, z.B. Art der Schraube, Bohrungsdurchmesser etc. Dazu klicken Sie auf das Symbol |
|
|
Bohrungsraster |
Das Bohrungsraster bestimmt die Anordnung des Bohrbildes für die Endplatte.
Beachten Sie bei Verwendung des Parameters e1 folgendes:
Beachten Sie: Im Feld Raster X Anzahl können Sie auch die Wurzelmaße übernehmen. Dazu klicken Sie mit der rechten Maustaste in das Feld und wählen das gewünschte Wurzelmaß im Kontextmenü aus.
|
|
Der Anschluss kann wahlweise mit oder ohne Steifen erzeugt werden. Die Einstellungen können getrennt für die obere und untere Steife vorgenommen werden.
Soll die Steife eingebaut werden, dann aktivieren Sie zunächste die Checkbox Einbauen und wählen Sie dann durch einen Klick auf das Symbol
den Typ der Steife im Katalog aus.
Die weiteren Parameter
|
Einbauart |
Diese Option bestimmt die Einbauart der Steife. Der Einbau kann senkrecht zum Bezugspunkt oder fluchtend erfolgen. |
|
Typ |
Legen Sie hier durch Aktivierung des entsprechenden Radio Buttons fest, ob eine Voll- oder eine Teilsteife eingebaut werden soll. |
|
Abmessungen |
Bestimmen Sie die Breite der Steife oder aktivieren Sie stattdessen die Checkbox |
|
Sonstige |
Hier können Sie - falls gewünscht - den Wert für den Luftspalt eintragen. |
|
Ecke innen |
In diesem Bereich legen Sie die Daten für die Innenecke fest. Dies sind je nach gewählter Eckenoption die Fasenlänge bzw. der Rundungsradius. Soll der Wert von HiCAD automatisch bestimmt werden, dann aktivieren Sie die Checkbox Auto. |
|
Fase außen |
Bei Teilsteifen wählen Sie die Option zur Bestimmung der äußeren Fase und bestimmen dann - je nach gewählter Option - die Werte für die Fasenlängen bzw. den Fasenwinkel |
Je nach Einbausituation wird das anzuschließende Profil automatisch ausgeklinkt. Die Optionen für die Ausklinkung legen Sie auf dieser Registerkarte fest.
|
Art der Ausklinkung |
Als Ausklinkungsarten stehen Abbohren oder Radius zur Verfügung. Wählen Sie die gewünschte Option und geben Sie den Ausrundungsradius ein. |
|
Länge x Höhe |
Sie können zwischen automatischer und manueller Eingabe von Länge und Höhe der Ausklinkung wählen. Bei der automatischen Ermittlung werden genormte minimal mögliche Werte für Höhe und Länge - unter Berücksichtigung des eingegebenen minimalen Flanschabstandes - gewählt. Folgende Optionen stehen zur Verfügung:
|
Sollen an an der Flanschseite des durchlaufenden Trägers Verstärkungsbleche eingebaut werden, dann aktivieren Sie hier die Checkbox Erstellen.
Geben Sie die Breite und Länge der Verstärkungsbleche an und wählen Sie durch einen Klick auf das Symbol
den Typ des Bleches im Katalog aus.
Sollen an den Profilkanten des angeschlossenen Profils Schweißnähte eingefügt werden, dann aktivieren Sie die Registerkarte Schweißnähte.
Dort können Sie durch Aktivierung der entsprechenden Checkbox festlegen, an welcher Kante Schweißnähte eingefügt werden sollen. Für jede Kante kann der Schweißnahttyp gewählt und die Dicke eingegeben werden. Darüber hinaus haben Sie die Möglichkeit, für alle zu verschweißenden Kanten die Schweißnahtbeschriftung zu definieren. Klicken Sie dazu auf das Symbol
, um den Dialog Schweißnaht zu öffnen. Die Bedienung erfolgt im Wesentlichen analog zur 3D-Funktion Schweißnahtsymbol einfügen.
Verwandte Themen
Anschlüsse + Varianten (3D-STB) • Dialogfenster für Anschlüsse - Typ I (3D-STB) • Das Katalogsystem für Anschlüsse + Varianten (3D-STB)
Version 1802 - HiCAD Stahlbau | Ausgabedatum: 09/2013 | © Copyright 2013, ISD Software und Systeme GmbH