Beispiel: Welle
(2D -> 3D Rekonstruktion)
In diesem Beispiel soll aus einer 2D-Zeichnung ein
3D-Modell unter Verwendung der Funktionen Ansichten, Rotationsteile
und Durchgangsbohrungen
abgeleitet werden. Ausgangsbasis ist die abgebildete 2D-Zeichnung (REKO_BSP5.SZN),
die die Vorderansicht (1), die Seitenansicht (2) und die Draufsicht (3)
einer 2D-Welle enthält.
Die Ableitung des 3D-Modells besteht aus 3 Schritten:
Schritt 1: Ansichten definieren
- Laden Sie die
Datei REKO_BSP5.SZN.
-
Aktivieren Sie auf der Registerkarte 3D-Standard > Neu das Menü Translationsteil und aktivieren Sie dort die Funktion 2D
-> 3D Rekonstruktion.
- Wählen Sie im
Menü Rekonstruktionstechnik die Funktion Ansichten.
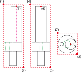
- Ziehen Sie zur
Bestimmung der Vorderansicht ein Rechteck mit den Eckpunkten (1) und (2)
auf.
- Wählen Sie als
Bezugspunkt (3) dieser Ansicht den Mittelpunkt der oberen Kante.
- Ziehen Sie zur
Bestimmung der Seitenansicht ein Rechteck mit den Eckpunkten (4) und (5)
auf.
- Wählen Sie als
Bezugspunkt (6) dieser Ansicht den Mittelpunkt der oberen Kante.
- Ziehen Sie zur
Bestimmung der Draufsicht ein Rechteck mit den Eckpunkten (7) und (8)
auf.
- Wählen Sie als
Bezugspunkt (9) dieser Ansicht das Zentrum des rechten Kreises.
Damit ist die Definition der Ansichten abgeschlossen. HiCAD fügt an
den Bezugspunkten isolierte Punkte in die Konstruktion ein.
Schritt 2: 3D-Modell ableiten
- Wählen Sie im
Menü Rekonstruktionstechnik die Funktion Rotationsteile.
- Identifizieren
Sie den Linienzug (1). Dies ist das obere Rechteck.
- Wählen Sie als
Drehachse die senkrechte Mittellinie (2).
- Legen Sie den
Bezugspunkt (3) in den Mittelpunkt der unteren Kante des gewählten Rechtecks.
- Aktivieren Sie
erneut die Funktion Rotationsteile.
- Identifizieren
Sie das mittlere Rechteck (4) und wählen Sie als Drehachse die senkrechte
Mittellinie (5). Legen Sie den Bezugspunkt (3) in den Mittelpunkt der
unteren Kante des oberen Rechtecks.
- Aktivieren Sie
erneut die Funktion Rotationsteile.
- Identifizieren
Sie das untere Rechteck (6) und wählen Sie als Drehachse die senkrechte
Mittellinie (7). Legen Sie den Bezugspunkt (3) in den Mittelpunkt der
unteren Kante des oberen Rechtecks.

HiCAD leitet automatisch das 3D-Modell ab und fügt es in die Konstruktion
ein.
Schritt 3: Bohrung übernehmen
- Wählen Sie im
Menü Rekonstruktionstechnik die Funktion Durchgangsbohrung.
- Identifizieren
Sie das 3D-Teil (1).
- Identifizieren
Sie die Bohrung (2) in der Draufsicht.
- Beenden Sie die
Auswahl mit der rechten Maustaste.
Verwandte
Themen
Beispiel: Sweepteil
• Weitere Beispiele
Version 1802 - HiCAD 2D -> 3D | Ausgabedatum: 09/2013 | © Copyright 2013,
ISD Software und Systeme GmbH