|
Beschreibung |
|
|---|---|
|
N2605V2 ASME_ELBOWSR ASME_ELBOWLR |
Rohrbogen DIN 2605 Rohrbogen (small radius) ANSI/ASME B16.9 Rohrbogen (long radius) ANSI/ASME B16.9
|
|
N2440V2 N2441V2 N2448V2 N2449V2 ASME_PIPE |
Rohr DIN 2440 Rohr DIN 2441 Rohr DIN 2448 Rohr DIN 2449 Rohr ANSI/ASME B36.19M
|
|
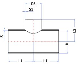
N2615T1V2 N2615T2V2 ASME_TEE |
T-Stück DIN 2615 Teil 1 T-Stück DIN 2615 Teil 2 T-Stück ANSI/ASME B16.9
|
|
N2616T2V2 ASME_REDUCON |
Reduzierstück (konzentrisch) DIN 2616 Teil 2 Reduzierstück (konzentrisch) ANSI/ASME B16.9
|
|
N2616T2EX. ASME_REDUEX |
Reduzierstück (exzentrisch) DIN 2616 Teil 2 Reduzierstück (exzentrisch) ANSI/ASME B16.9
|
|
N2617 ASME_ENDCAP |
Kappe DIN 2617 Kappe ANSI/ASME B16.9
|
|
N2618K N2618L |
Sattelstutzen, kurz DIN 2618 Sattelstutzen, lang DIN 2618
|
|
N2619 |
Einschweißbogen DIN 2619
|
|
N2631V2 N2633V2 N2635V2 N2637V2 ASME_FLANGE150 ASME_FLANGE300 ASME_FLANGE600 |
Flansch DIN 2631 Flansch DIN 2633 Flansch DIN 2635 Flansch DIN 2637 Flansch ANSI/ASME B16.5, 150 lbs Flansch ANSI/ASME B16.5, 300 lbs Flansch ANSI/ASME B16.5, 600 lbs
|
|
N2641GR1 N2642GR1 |
Vorschweißbördel mit losem Flansch DIN 2641, Reihe 1 Vorschweißbördel mit losem Flansch DIN 2642, Reihe 1
|
|
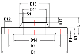
N2527B6 N2527B10 N2527B16 N2527B25 N2527B40 N2527E64 N2527E100 N2527T6 N2527T10 N2527T16 N2527T25 N2527T40 ASME_BLINDFLG150 ASME_BLINDFLG300 |
Blindflansch DIN 2527, Form B, PN 6 Blindflansch DIN 2527, Form B, PN 10 Blindflansch DIN 2527, Form B, PN 16 Blindflansch DIN 2527, Form B, PN 25 Blindflansch DIN 2527, Form B, PN 40 Blindflansch DIN 2527, Form E, PN 64 Blindflansch DIN 2527, Form E, PN 100 Blindflansch DIN 2527, Form T, PN 6 Blindflansch DIN 2527, Form T, PN 10 Blindflansch DIN 2527, Form T, PN 16 Blindflansch DIN 2527, Form T, PN 25 Blindflansch DIN 2527, Form T, PN 40 Blindflansch ANSI/ASME B16.5, 150 lbs Blindflansch ANSI/ASME B16.5, 300 lbs
|
|
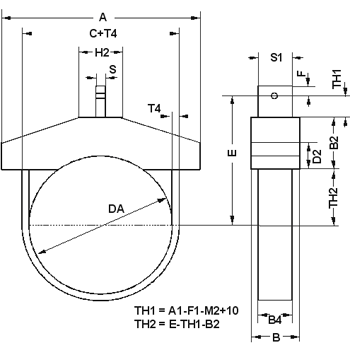
LHS42_ALL |
LISEGA Horizontalschelle Typ 42
|
|
LHS43_ ALL |
LISEGA Horizontalschelle Typ 43
|
|
LHS44B_ ALL |
LISEGA Horizontalschelle Typ 44 (Bügel)
|
|
LHS44G_ ALL |
LISEGA Horizontalschelle Typ 44 (Gurt)
|
|
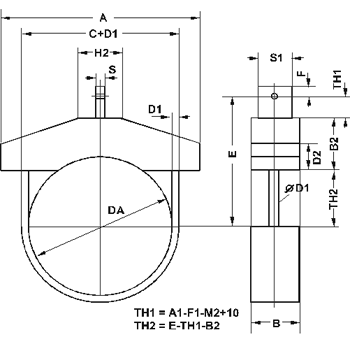
LVS45_ ALL |
LISEGA Vertikalschelle Typ 45
|
|
LVS46_ ALL |
LISEGA Vertikalschelle Typ 46
|
|
LRL49_1_ ALL |
LISEGA Rohrlager Typ 49.1/2
|
|
LRL49_3_ ALL |
LISEGA Rohrlager Typ 49.3/4/5
|
Verwandte Themen
Version 1802 - HiCAD Anlagenbau | Ausgabedatum: 09/2013 | © Copyright 2013, ISD Software und Systeme GmbH